Produtos
Válvula de retenção oscilante
  • Válvula de retenção oscilanteVálvula de retenção oscilante

Válvula de retenção oscilante

A Jinqiu Valve fabrica uma válvula de retenção oscilante de qualidade, uma válvula automática também conhecida como válvula unidirecional ou válvula de retenção. Sua função é evitar que o meio na tubulação retorne, permitindo que o fluido flua em uma direção. Previne efetivamente o refluxo (fluxo de retorno) que pode danificar o sistema de tubulação. A válvula abre ou fecha seus componentes de abertura e fechamento pelo fluxo e força do meio para evitar que o meio retorne.
Jinquan Valve is a high-tech enterprise integrating valve product research, production, sales, and service. As an H44H and H44Y type PN16 ~ PN250 swing check valves supplier, our customized swing check valves are suitable for pressures of 1.6 ~ 25MPa, working temperatures of -29 ~ +550 ℃, and are applicable to pipeline conditions in the petroleum, chemical, pharmaceutical, fertilizer, power industries, and other environments. Applicable media include water, oil, steam, acidic media, and so on. We have been operating in the valve manufacturing field for over twenty years. With our experience, we have won high praise from the market for our reasonable prices, high quality, and attentive service.

1. Abertura e fechamento automáticos: A válvula de retenção oscilante abre e fecha automaticamente com base na força do fluxo de mídia. Quando a mídia flui na direção especificada, o disco da válvula é aberto e a válvula abre. Quando a mídia para de fluir ou reflui, o disco da válvula fecha sob seu próprio peso ou força da mola, evitando o refluxo. Nenhuma operação manual é necessária, obtendo controle automático.
2. Vedação confiável: As superfícies de vedação do disco da válvula e da sede são normalmente feitas de liga soldada à base de ferro ou liga dura à base de cobalto Stellite, que é resistente ao desgaste, ao calor, à corrosão e tem boa resistência a arranhões. Isso garante um efeito de vedação estável a longo prazo e evita efetivamente o vazamento de mídia. 3. Canal de fluxo desobstruído: O canal de fluxo é projetado racionalmente, resultando em baixa resistência ao fluido. A mídia pode passar suavemente pela válvula de retenção oscilante, reduzindo a perda de pressão e o consumo de energia.

Parâmetros de desempenho

modelo H44H-16C~250 H44W-16P~250
Pressão de trabalho (MPa) 1,6~25
temperatura adequada (℃) ≤425 ≤550
Mídia adequada Água, vapor, óleo Meio corrosivo fraco
material Corpo, capô, disco Aço carbono Aço inoxidável cromo níquel-titânio
Superfície de vedação Ligas à base de ferro para revestimento de aço carbono Corpo selado

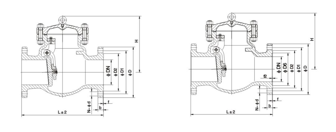
A forma principal e dimensões de conexão

Diâmetro nominalDN As principais dimensões e dimensões de conexão
L D D1 D2 b Zd H
H44H-16C H44W-16C H44W-16P H44W-16R H44W-16I
25 160 115 85 65 16 4-14 100
32 180 135 100 78 16 4-18 105
40 200 145 100 85 16 4-18 115
50 230 160 125 100 16 4-18 135
65 290 180 145 120 18 4-18 142
80 310 195 160 135 20 8-18 165
100 350 215 180 155 20 8-18 180
125 400 245 210 185 22 8-18 210
150 480 280 240 210 24 8-23 233
200 500 335 295 265 26 12-23 304
250 550 405 355 320 30 12-25 348
300 650 460 410 375 30 12-25 390
350 750 520 470 435 34 16-25 430
400 850 580 525 485 36 16-30 468
H44H-25 H44W-25 H44W-25P H44W-25R H44W-25I
25 160 115 85 65 16 4-14 100
32 180 135 100 78 16 4-18 105
40 200 145 110 85 16 4-18 115
50 230 160 125 100 20 4-18 160
65 290 180 145 120 22 8-18 175
80 310 195 160 135 22 8-18 185
100 350 230 190 160 24 8-23 220
125 400 270 220 188 28 8-25 248
150 480 300 250 218 30 8-25 276
200 550 360 310 278 34 12-25 350
250 650 425 370 332 36 12-30 410
300 750 485 430 390 40 16-30 430
350 850 550 490 448 44 16-34 518
400 950 610 550 505 48 16-34 560

Imagem da estrutura

Hot Tags: Válvula de retenção giratória, China, personalizada, qualidade, durável, avançada, fabricante, fornecedor, fábrica, em estoque
Enviar consulta
Informações de contato
  • Endereço

    No.1, North 1st Road, Cidade Nova de Aço Inoxidável, Lecong Steel World West Road, Distrito de Shunde, Cidade de Foshan, Província de Guangdong, China

Para dúvidas sobre válvulas gaveta, válvulas globo e válvulas de retenção ou lista de preços, deixe seu e-mail para nós e entraremos em contato em até 24 horas.

X
Utilizamos cookies para lhe oferecer uma melhor experiência de navegação, analisar o tráfego do site e personalizar o conteúdo. Ao utilizar este site, você concorda com o uso de cookies. política de Privacidade
Rejeitar Aceitar